Cub Cadet 364 Kiel Equipment

Cub Cadet 364. 2004 Cub Cadet 364 Lawn & Garden and Commercial Mowing John Deere To submit yours, email it to [email protected] Learn how to install Cub Cadet mower decks and find the belt diagram for models 364 and 365

1872 and 364 snowblower IH Cub Cadet Tractor Forum
1872 and 364 snowblower IH Cub Cadet Tractor Forum from www.ihcubcadet.com

View and Download Cub Cadet 364 owner's manual online Manuals Lawn and Garden Cub Cadet Open as PDF next previous Zero Turn Tractor Models 364, 365 & 365L OPERA TOR'S MANUAL PRINTED IN U.S.A.

1872 and 364 snowblower IH Cub Cadet Tractor Forum

Learn how to install Cub Cadet mower decks and find the belt diagram for models 364 and 365 Photos may only be used with the permission of the original photographer. To submit yours, email it to [email protected]

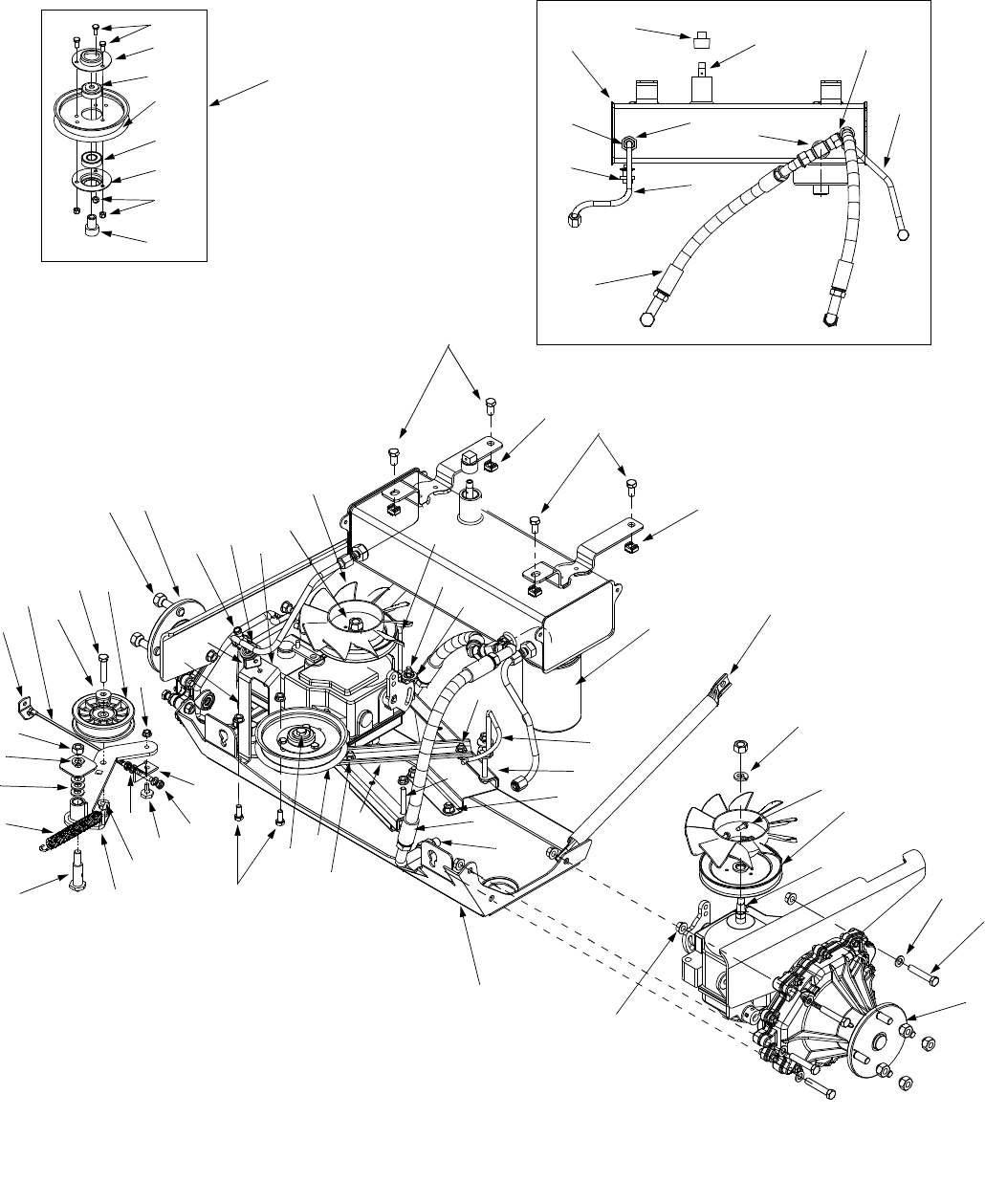
Cub Cadet Parts Manual For Model 364 2001 PDF Download Cub Cadet. Photos may only be used with the permission of the original photographer. 364 - read user manual online or download in PDF format

Cub Cadet 364 Kiel Equipment. To submit yours, email it to [email protected] Learn how to install Cub Cadet mower decks and find the belt diagram for models 364 and 365